忍者ブログ

Imager マニア

デジカメ / デジタルビデオカメラ / スマホ用の撮像素子(イメージセンサ/imager/CMOSセンサ)について、マニアな情報や私見を徒然なるままに述べるBlogです(^^;)

[PR]

×

[PR]上記の広告は3ヶ月以上新規記事投稿のないブログに表示されています。新しい記事を書く事で広告が消えます。

Blackmagic Production Camera搭載センサのグローバルシャッタ方式 ~CMOSIS社センサ

 前々回のエントリの続きです。
NAB2013において、ブラックマジックデザインから発表された、ブラックマジックプロダクション4Kカメラ
そのカメラに搭載されているセンサが、どうやらCMOSISというあまり聞きなれない会社であったこと、及び、そのCMOSイメージセンサにグローバルシャッタ機能が搭載されていたことに興味を覚えました。


CMV-12000_240_171.png








↑ブラックマジックプロダクションカメラ4K に搭載されているものと思われる、CMOSIS社設計のCMOSイメージセンサ外観

上記会社のHPによると、このセンサはカスタム品ではなく”Standard Products”の欄に載っているので、お金さえ出せば誰でも買える汎用品のようです。
 

拍手[4回]

 まず、SMOSIS社の概要ですが、左のリンク先によると、どうやら現在のCMOSIS社のメンバーは、元はベルギーの国立研究機関であるimecというところでCCDの研究をしていたようです。
そこからCMOSイメージャーに研究内容を移し、その後、メンバーはFillFactoryという会社を興します。
このFillFactoryという会社なら私の記憶にも残っています。
ニコンのFマウントにおける初めてのフルサイズイメージャー搭載レンズ交換式カメラ、実はそれは本家ニコンから発売されるよりも先にKodakから先に発売されます。
それがKodak DCS14n proです。
このカメラに搭載されていたフルサイズCMOSイメージセンサが、FillFactory製でした。

 ですので、元をたどると割と古くからデジタルカメラ用のCMOSセンサの設計も行っていたことになります。
その後、サイプレスという会社(←ここもCMOSイメージセンサの設計も行っている会社)にFillFactoryが買収されます。
その数年後、サイプレスの待遇に不満を持ったのか原因は私が知る由もありませんが、メンバがスピンオフしてCMOSIS社を立ち上げます。
立ち上げ後は主にマシンビジョンと言った様な産業用のイメージャー分野に力を入れていたようです。
そして、最近になってライカのMというカメラの搭載センサの供給元となり、更に今回ブラックマジックデザイン社のプロダクションカメラ4Kへも搭載素子を供給するという様に、急速に写真や映画を撮影するカメラ向け素子に力を入れてきているようです。


 さて、このセンサの注目スペックと言えば、高速読み出しデジタル出力センサであるという点とグローバルシャッタ機能搭載である点だと思います。
調べていたらこんな資料がネットに転がっていました。
”CMV12000”という今回のブラックマジックプロダクションカメラ4K搭載素子と思われるセンサについて書かれています。
またこの資料(どこかへの発表資料?)の書き手自体がこのCMOSIS社自身ですので、内容の信憑性は疑う必要も無いでしょう。

ここではグローバルシャッタの実現方法について焦点を当ててみたいと思います。
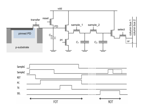
9daaf280.png














↑上記資料から抜粋した、画素部の等価回路図とその駆動方法。

ちょっと解像度が低く小さくて見にくいでしょうか。ご容赦を。
 まずは特徴的なのはグローバルシャッタ用に”C1”、”C2”と、画素内に”二つ”サンプリング用の容量を持っている点だと思います。
それに合わせて、スイッチもsample1とsample2と二つ。
更に、普通の読み出し回路であれば、画素外に持てば成り立つ、”pc”と書いてある画素ソースフォロワの定電流負荷とON/OFF制御を兼ね備えた使い方をしている様なスイッチ。
そして、画素ソースフォロアがC1、C2に信号をかきこむためのもの(pcスイッチの上のもの)と、更にその後画素外に信号を読み出すためのもの(selectスイッチの上のもの)と二つ。
 何と、1画素に計8トランジスタ!!

 元々グローバルシャッタ機能を搭載するためには、例えば容量一つとスイッチ一つくらいは通常画素に対して追加する必要があるのである程度仕方が無いと思うのですが、CMOSIS社のものは突き詰めていて(?)上記二つの容量と三つのスイッチの追加だけで、普通に作ってしまうとフォトダイオードの面積を無くしてしまわなければならないほどだと思います。つまり、ここから導かれる結論は、このCMOSIS社のセンサは裏面照射型であろうということです。
裏面照射型であれば、光入射と反対サイドは比較的自由にスイッチや容量を配置可能だと思います。まあそれでもこれだけの容量とスイッチを配置するのは困難なことだとは思うのですが・・・。


 ちなみに上記等価回路図で”Cfd”と書かれている容量は、俗に寄生容量と呼ばれるもので、明示的に容量として造りこんだものではなく、仮につけたくなくてもどうしてもついてしまう類の容量です。恐らくオーダーとしては数fFです。
翻ってCMOSIS社のC1、C2に関しては明示的に造りこんだ容量だと思うのですが、一体どの程度の容量値なのでしょうか?
リンク先の資料には数字は出ていませんでした。
しかし画素内ですので、そんなに大きな容量を造りこめるとは思えません。

 また、今後興味が持てば特許等で調べてみますが、ソニーのフレームイメージスキャンと称するグローバルシャッタの実現方式は上記で触れた”ひとつの容量と一つのスイッチを追加するタイプ”のものだと思います。


 さて、順番が逆になってしまいましたが、このCMOSIS社製のセンサの読み出しの際の駆動方法を、上図から読み取ったところをざっくり口頭で表現すると以下の様になるかと思います。

①FDリセットを解除する
② sample1及び2のスイッチをONしておき(selectはまだOFF)、画素固有のFDのリセットノイズ(と画素SFのオフセット)をC1及びC2にそれぞれにかきこむ。 ←画素固有のリセットノイズをC2に保持
③sample2”だけ”OFF
④TXをon⇒offして信号電荷を読み出す
⑤ ④の電圧をC1にかきこむ ←つまりC1にsignalを保持
⑥sample1もoff
⑦ (該当行を読む順番になったら)selectをONして、まずC2のノイズ情報を読む
⑧その後sample2をONし、C1とC2に溜まった電荷の和で決まる電圧情報を読み出す(←つまりsignalとノイズの和の信号を読み出す)
⑨ (駆動パタンに書いてないが)上記⑨-⑧の差分を後段の回路で何等かの手法で行い、純粋なsignal情報を抽出する

 う~ん、②と⑤の工程、及び⑦と⑧の工程でそれぞれsignalとリセットノイズを読み書きする時に容量値が異なることになっているのが複雑です。これでCDSうまくいくんでしょうか?
まあ実際センサが製品になっているのでうまくいくのでしょうね(^^;)
Q=CVを駆使して計算すればわかるのでしょうが、今ちょっとその計算をしたくないので割愛したいと思います(^^;)

 ここまでして、この容量2つ方式をとりたかった理由が、CMOSIS社の上記リンク先論文で書かれています。
通常の5トランジスタ方式のグローバルシャッタ方式と比較して・・・
 1)FDのリセットノイズがキャンセルされることによって、劇的に画素の読み出しノイズが低減する
 2)画素ノイズが主に二つの容量の大きさで決まる
 3)CDS駆動をすることによって、最早、変換ゲインとダイナミックレンジはリンクしない。ダイナミックレンジを犠牲にすることなく、高感度に最適化することが出来る
 
最後の3)については個人的にはいまひとつしっくりきません。
確かにCfdを容赦なく小さくしてもダイナミックレンジを圧迫しないというのは理解出来ますが、結局C1とC2を大きくしてしまったら読み出しゲイン=変換ゲインは落ちてしまうのではないでしょうか。そして逆に小さく作ってしまうとダイナミックレンジを圧迫してしまうのではないのでしょうか?


 さて、長くなってしまいましたので、ここで一端本エントリは終了したいと思います。
本当は本センサの他のスペックについても触れたかったのですが(^^;)

最後に、恐らく、このCMOSIS社設計のCMOSセンサの製造元はSTMicroelectronicsだと思われます。
理由は、LEICAMというライカのカメラ搭載の撮像素子がCMOSIS社設計のものだとわかっており、そのセンサの製造元がSTMicroelectronicsであることがchipworksの解析で既にわかっているからです。
ちなみにCMOSIS社はFabレス会社なので、自社で設計は出来てもchip製造は出来ない会社です。製造されたチップを自社で最終検査を行える設備は持っているようですが。

また次の機会に、もう少しこのセンサのスペックを掘り下げてみたいと思います。


 
PR

コメント

お名前
タイトル
文字色
メールアドレス
URL
コメント
パスワード Vodafone絵文字 i-mode絵文字 Ezweb絵文字

裏面照射とグローバルシャッターの相性

管理人様

サイトの訪問者、40万人達成、おめでとうございます。

面白そうなテーマだったので、頭の体操がてら、上の記事を考えてみました。
先ず、私の先入観から、裏面照射とグローバルシャッターは非常に相性の悪いものだと、思い込んでおります。理由は、通常のローリングシャッタータイプでも遮光問題が大変なのに、ストレージ領域の遮光を確保する方法があるだろうか?という疑問です。
一斉転送後(sample_1 off後)、C1容量にホールドした電荷を守るためと、最終SFのゲート電位を浮かさないために、PD以外の部分は完全に遮光する必要があります。C1をMIM等の外部容量で作ったとしても、Trの接合容量は必ず存在して、そこでの光起電流流入が問題になるからです。
この問題のために、表面照射型でもグローバルシャッターの場合は遮光層を極力、下げる必要があり、裏面照射型では、その対策が不可能ではないか、と考える次第です。

それで、表面照射型を前提に考えると、管理人さんの仰られる通り、PD面積は、馬鹿馬鹿しい程、減少すると思います。ただ、以下の理由で、それも有り得ると思っています。
先ず、PDにレイアウトしなければならない、Trの数ですが、一斉転送がウリなので、FD共用は無く、実際に8Trが1pixelにレイアウトされていると思います。と言うことは、配線部の開口を考える以前に、PD占有面積は小さくなるということです。
次に、論文から飽和電荷を見ると、13000個ですから、5.5μmというピクセルサイズからすれば、随分、小さな値です。つまり、PDは小さいということを意味しています。

後は、配線のレイアウトが可能なのか、という問題ですが、2つの可能性があると思います。
(1)6本水平ラインが必要なので、そのままTr領域上部に配線を通す
(2)水平ラインをメタル層2層に分け、低背化を犠牲にして、4層メタルで画素を構成する

(1)の場合、0.18μmルールとなっていますので、メタル1ピッチを0.5μm程度と考えれば、3μm幅を配線領域で潰してしまいます。ただ、理屈上、開口は残ります。
(1)か(2)かは、判断がつきませんが、表面照射型でも配線レイアウト自体は理論上、可能だと思います。

話しは変わって、裏面照射、表面照射の問題ではありませんが、光起電流の問題とは別にSD部で発生する暗電流対策をどうしているのか、興味はあります。C1をMIMで形成すれば、S/D部で発生する暗電流は問題になるはずです。上にあげず、埋め込みダイオードの接合容量を使えば、ただでさえ8TrでPD面積を圧迫しているのに、追い打ちをかけるようなレイアウトになります。

C2側はS/D発生暗電流から、逃げようが無いので、いっそのことC2リセット用のTrを、もう一つ、追加したくなるような回路です。暗電流問題が無ければ、C2は小さい方がよいので(いずれにしても、C1からC2へ、電荷の完全転送はあり得ないので)外部容量は付加されていないと思います。

DRの問題は、左側のCfd部分ではノーマルタイプと全く同じはずです(PDからCfdへ完全転送が出来る範囲内のDR)。右側のC1部分は左側のSFが充電してくれるので、容量を大きくしても電圧幅が取れるように見えますが、トータルでアドバンテージが特にあるようには見えません。

CMOSISのアイデアは、面白いアイデアだと思いますが、SONYの提唱する方式の方がメリットがあるのかな、という印象です。

製造メーカーは、論文にTower Jazzを使って試作したとあるので、このファンドリーの可能性もあるのではないでしょうか?
最近、パナソニックの製造ラインを買収したファンドリーのはずです。

Re:裏面照射とグローバルシャッターの相性

>サイトの訪問者、40万人達成、おめでとうございます。

 ロートルさん、毎回さまざまな興味深いコメントや示唆、本当にありがとうございます。
この忍者blogというblog運営サイトの基本フォーマットの配置を少しいじるだけで、デザイン的には何もいじらずノーマル状態のままのblogですが、アクセス数のカウンタは確かに張り合いになるので、設置してくれていてよかったかなと思います(^^;)
始めた時は40万人(最近見ているとリピーターの方がこのサイトは6割弱ですので正確には40万アクセスでしょうか)に達するほど長くblogを書いているイメージは持っていなかったです。
(と言っても、書き始めてからまだ3年程度ですが^^;)


>先ず、私の先入観から、裏面照射とグローバルシャッターは非常に相性の悪いものだと、思い込んでおります。理由は、通常のローリングシャッタータイプでも遮光問題が大変なのに、ストレージ領域の遮光を確保する方法があるだろうか?という疑問です。

 ロートルさんのことですので、上記半ば確信を持たれていて、やさしく婉曲に指摘くださったのだと思うのですが、
ロートルさんの先入観の(?)通り、恐らくここで取り上げたCMOSIS社のイメージャーは表面照射型だと思います。←申し訳ありません。本文中と逆のことを書いてしまい(^^;)

 というのは、半年後の以下のblogエントリで私は気づくのですが、

※当初のwebアドレス?入力だと、うまくページにいけそうも無いので、お手数ですが、
エントリNo.68を参照願えますでしょうか。

↑もっと画素ピッチの小さいセンサであるにも関わらず、なんと画素レイアウトがオープンにされており、そしてそれがFSIであったのです。←驚いたのは私だけかもしれませんが。
結果、私はこのエントリの5.5um□のセンサも”FSIだったのだな”と、半年後から思いなおしたという次第です(^^;)

 上記読んでいただければ分かるのですが、3.5um□ピッチだとは言え、開口率は目視で3割前後しかありません。そしてCuとはいえ、なんと画素部の配線は2層のみ。
しかも最上層は遮光層となっており、代わりに(?)POLY-Si配線を積極的に利用しているという様な感じです。
メタルが2層の理由は、今回のロートルさんの書き込みで気づかさせて頂きましたが、
おっしゃられる通り、画素内のPD以外の素子が元々多く必要なので、その上方の空きスペースを配線領域として有効に活用し、開口率が小さい分をメタル2層に抑えて低背化に割り振った(≒少しでも光学性能を改善しようとした) という様な設計思想な様に見えます。

 それにしてもなのですが、まだ製品化していないセンサなのかもしれませんが、いったいどういう用途向けのセンサを想定したのか、
あまりに感度(斜め入射光?)に対する優先順位が低すぎるのじゃないかという気がしてしまいます。
とにかく画素ピッチが小さくても、”画素内CDSを伴うグローバルシャッタ機能付きである”ということを圧倒的な第一位の優先順位の思想で設計しましたというような勢いを感じます。
マイクロレンズは画素ピッチの大きさに展開していて、そこから導波路(Lightガイド、LightPipe)構造になっているのでしょうか?
それとも論文中の”PeakQE=50%(WithMIcroLens)”というのは、”マイクロレンズの集光範囲がおおよそ1画素面積の半分だよ”ということを意味しているのでしょうか?


>(1)6本水平ラインが必要なので、そのままTr領域上部に配線を通す
>(2)水平ラインをメタル層2層に分け、低背化を犠牲にして、4層メタルで画素を構成する

 コメント内の上でリンクしたCMOSISの論文センサと、本エントリセンサが同じ保証はありませんが、同じ可能性が高いと考えるならば、
上記は(1)の方ということになると思います。
 ただ3.5um□の方のレイアウトの方は、ほとんどの配線が水平では無くて垂直方向に走っています(正確には垂直方向にしか配線が無い様に私には見えます)。カルチャーショックでした。
確かに、よく考えれば、グローバルシャッタのみと割り切れば、sample_2とSELの二本のみ水平配線である必要があり、その他のトランジスタ駆動配線は垂直方向に配線を引いても、全画素同時操作であるため問題無さそうです。
(ただ、本エントリのセンサは、上下方向に信号読み出しをしており、ブロック図を見ても垂直のドライバ回路は横にあるので、水平ラインなはずですが)

 そしてここから下が、私がロートルさんについていけなくなっているところですが、

>SD部で発生する暗電流対策をどうしているのか、興味はあります。C1をMIMで形成すれば、S/D部で発生する暗電流は問題になるはずです。上にあげず、埋め込みダイオードの接合容量を使えば、ただでさえ8TrでPD面積を圧迫しているのに、追い打ちをかけるようなレイアウトになります。

 まず、3.5um□画素の方の画素レイアウトと等価回路図の対応を、私はとれていないのですが、ぱっと見、MIMでは無く”追い討ちを掛ける様な”(^^;)レイアウトの方に見えます。
 で、特にMIMで作っても作らなくてもS/Dで発生する暗電流は問題になるはずなのでは無いのでしょうか?
以下のC2の方のコメントと合わせて、私はC1とC2側の暗電流に対する耐性(?)の違いが理解できていません。

>C2側はS/D発生暗電流から、逃げようが無いので、いっそのことC2リセット用のTrを、もう一つ、追加したくなるような回路です。暗電流問題が無ければ、C2は小さい方がよいので(いずれにしても、C1からC2へ、電荷の完全転送はあり得ないので)外部容量は付加されていないと思います。

 ↑電荷の完全転送がありえないことは、指摘をされて初めて気づきました。
ここで言う”外部容量”というのは、具体的には何を指すのでしょうか?
”C2は小さい方が良い”というのは、S/Nの観点でですよね?
DRの観点ではC2は大きい方が良いということはないのでしょうか?・・・

 やはり私、今ちょっと考えたのですが、自分でblogに書いておいて何なのですが、この回路構成と駆動方法で、何故CDSが出来るのか分からなかったので、その辺が理由でロートルさんがおっしゃってることが理解出来ないのでしょうか。
 つまり、リセットノイズや画素SF閾値ばらつきの信号を読む時はC2しか見えておらず、画素信号(+リセットノイズと閾値ばらつき)を読み出す時は、C1+C2の容量になってしまっているのに何故うまくCDSできるのか?というのがわかりません。


>CMOSISのアイデアは、面白いアイデアだと思いますが、SONYの提唱する方式の方がメリットがあるのかな、という印象です。

 総合的には≒多くの用途のイメージセンサにおいては、私もロートルさんと全く同じ印象です。


>製造メーカーは、論文にTower Jazzを使って試作したとあるので、このファンドリーの可能性もあるのではないでしょうか?

 気を使っていただいて申し訳ありません(^^;)
こちらもロートルさんのおっしゃる通りです。
こちらも事後で別記事(ソース失念)でもTowerJazzである記載を見た記憶がありますので、間違い無いと思います。

今回もありがとうございました。
ps 以前の”究極のカメラとグローバルシャッタ”の件で、お伝えしたいこともありますので、週明けくらいにそちらのコメント返信も読んでいただけると幸いです。

  • imagerマニア
  • 2015/04/05(Sun.)

ブログ内検索

カウンター

最新コメント

[03/28 hoge]
[03/26 hi-low]
[03/22 山川]
[03/18 hoge]
[03/08 hi-low]
[03/04 hoge]
[02/26 山川]
[02/26 山川]
[02/19 hoge]
[02/18 山川]
[02/05 hoge]
[02/05 hi-low]
[01/29 通りすがりです]
[01/28 FT]
[01/23 hi-low]

カレンダー

12 2026/01 02
S M T W T F S
1 2 3
4 5 6 7 8 9 10
11 12 13 14 15 16 17
18 19 20 21 22 23 24
25 26 27 28 29 30 31

バーコード

プロフィール

HN:
imagerマニア
性別:
非公開