忍者ブログ

Imager マニア

デジカメ / デジタルビデオカメラ / スマホ用の撮像素子(イメージセンサ/imager/CMOSセンサ)について、マニアな情報や私見を徒然なるままに述べるBlogです(^^;)

[PR]

×

[PR]上記の広告は3ヶ月以上新規記事投稿のないブログに表示されています。新しい記事を書く事で広告が消えます。

Nikon vs Sony フルサイズ一眼レフカメラ ~chipworks解析記事意訳

http://www.chipworks.com/blog/technologyblog/2012/10/23/full-frame-dslr-cameras-part-1-nikon-vs-sony/

カナダにある”chipworks”(チップワークス)という会社、半導体チップの解析という名のリバースエンジニアリングの世界では、私の知るところ第一人者です。
有名どころでは、apple iphoneの搭載チップ:サムスンのアプリケーションプロセッサA6、ソニーの撮像素子などの解析も既に終えて一部無償で(宣伝がてら)公表しています(残りは有償)。

 有償部分はとても個人の趣味で入手出来る価格ではないので、中身は伺い知ることができません。
が、たまに冒頭のリンク先の様な”technology blog”という形で、対象の半導体チップ業界を俯瞰したような解析記事をupしています。

 今回は、”一眼レフのフルサイズ(フルフレーム)CIS(CMOS Image Senser)”に焦点をあてたものでした。
興味深い内容もありましたので、勝手に私の興味のある部分を意訳してご紹介したいと思います。
また、更には、チップ解析の写真から私が気づいたことを補足したいと思います。

※以下、”・”以下がオリジナル記事の意訳部分です

アップルは長年、ライバル会社のサムスンからスマホやタブレットのコンポーネントを供給されてきた。類似した関係がDSLRの世界にもある。それがニコンとソニーだ。

チップワークスはニコンの2004年以降の10種類おDSLRに使われたCMOSイメージャーデバイスの画素構造を調査した。その結果6種類のカメラで使われたセンサ(撮像素子/CMOS imager)がニコン設計で、ルネサス製造のもの。
他方4つのカメラで使用されたのがソニーセンサであった


■sony IMX094 D800

0.18um世代プロセスを用いて作られている4.75umピッチ画素品

チップワークスが解析した10のフルフレームDSLRの中では最も小さな画素ピッチ製品。
2つの画素で共通の読み出しトランジスタを共有するアーキテクチャ
上記は最近のソニーのAPS-Cイメージセンサ設計にも見られたもの

 画素共有レイアウトと0.18umプロセスによる細いメタル配線は、36Mpixフルフレーム画素アレイにおいても高い性能を達成するために必要な開口率を維持することを可能にしている
 

D800_sony_flat.jpg



















↑Nikon D800搭載 ソニー製CMOSセンサ 半導体層(Si表面及び、アクティブ領域、POLY、contact表示)

 先にD4センサのものと比べると違いがわかりやすいですが、このセンサ、4.7um□という一眼レフ用としては小さい画素ピッチでも高感度/ダイナミックレンジを確保するために、画素の横方向の素子分離が存在しないように見えます(上下方向はトランジスタが存在するために素子分離がある)。
左右方向の隣の画素とは、イオン注入のみの拡散によって分離されています。
正直、素子分離と拡散分離で、どちらがスペース的にお得なのかはimagerマニアは多少疑問な点があるのですが、少なくとも拡散分離の方がLOCOSやSTIといった素子分離よりもそれらの欠陥起因の暗電流は抑制できるメリットはありそうです。

 もう一つ、画素ピッチに比較的余裕のあるD4センサと比較すると異なるのが、画素の転送MOS(写真のT1とT2)が上下の画素で向かい合わせになっていて、転送先のFD(フローティングディフュージョン/浮遊拡散層)が、上下2画素で共有されており、FD領域一つ分の面積がD4センサより無駄がなくフォトダイオードの感光領域に使われているという点です。

D800_sony_cross.jpg

















↑Nikon D800搭載センサ 画素部断面

1POLY/3Metal
層内レンズなし
当然裏面ではなく表面型の撮像素子であることがわかります。

またその形状から、素子分離はSTIではなくLOCOSの様です。
レイアウト効率のみを追い求めた場合、STIの方が良いと思われますが、やはり暗電流の増加等を気にしてLOCOS採用なのでしょうか?

 また最上層の遮光及び電源配線であると思われるM3は、他の層よりも厚く作られています。
これは、上記用途からM1、M2ほどには微細なパタンにする必要がないため、厚く作ってもパターニング可能であるのでそのようにしているのだと思われます。


・Nikonはプロシューマー機に搭載するセンサは、自社設計でパートナーファウンドリーであるルネサスで製造することが多い(例外はD800など)。翻ってコンシューマー機はソニーセンサを採用することが多い


・プロ用機であるD800センサをルネサス製造ではなくソニーセンサを採用したのは、ルネサスには0.35もしくは0.25um世代のイメージャー向けプロセスしかなく、D800の画素ピッチにおける性能を維持するために、0.18umのイメージャー向けプロセスを持つソニーセンサで開口率を確保するためだろう

 ※ルネサスは今回の事実上の一旦破綻でイメージャー製造から手を引くでしょうか?
あまりにもカスタマイズ品が多すぎることが赤字増長の原因の一端だと思うので、きっと製造品種を絞り込むと思うのですが・・・それでもイメージャーは数は出ないけど儲かるチップだからやり続けるでしょうか?
 上記ルネサスの判断がニコンに与える影響は小さくはないと思います。何故ならニコンの一眼レフカメラで今まで搭載されてきたセンサの製造元は、ソニー、ルネサス、aptinaの3社だけだと思われます。
上記3社の内、ニコンのoriginal設計を元に製造していた会社はルネサスだけと思われます。他の2社は、ニコンの要望を元に多少カスタマイズするか、要望を元に設計したセンサを納入するかで、ニコンはあくまで2社に仕様を出すだけで設計自体は出来ない関係になっていると思われるためです。


・Nikon設計&ルネサス製造のD4搭載フルサイズセンサの画素特徴
D4_rene_flat.jpg

















↑ニコン D4搭載 ルネサス製造センサ 画素部平面図

・画素ピッチ:7.3um
・十分な画素ピッチだが、それでも画素性能を優先し、D800同様上下2画素共有レイアウト
・6トランジスタ/2pix
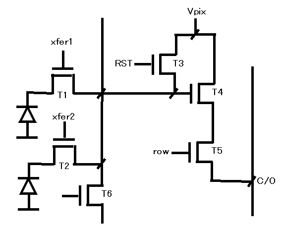
つまり、縦2画素共有の行選択スイッチありの画素なのですが、一つトランジスタが多いのは(画素)FD平均用のスイッチ。←動画読み出し用の高速&高SN化対策

 上記、わかりにくいので、上の写真に赤い線を私が付加しました。
実際の配線パタンとは異なるのは間違いないと思いますが、等価回路図上、赤い線の箇所がつながっているという意味です。
 また、上下2画素分の画素部等価回路図も起こしました。
以下にupします。
nikon_D4_pix_circuit.PNG


















 上図、T6のスイッチをONして上下のFDをつなげるタイミングと、xfer1及び2のタイミングをコントロールすることにより、”同色上下○画素平均”を可能にしているようです。
”○”の数字は、垂直走査回路によって如何様にもできそうですが、フレームレートと動画解像度の関係から一桁程度の数字ではないかと思われます。
 これにより、ただ行間引きを行うよりは、解像度維持及びモアレ防止に一役買うという訳です。

D4_rene_cross.jpg


















↑ニコン D4搭載 ルネサス製造センサ 画素部断面

・PD上の反射防止膜を画素カラー毎にチューニングしている


 ↑これは驚きです。この様なセンサはimagerマニアは初めて見ました。
フォトダイオード上の反射防止膜の膜厚は、厳密には光の波長ごとに最適値が異なります。そのための処置と思われます。その代わり、製造プロセスの工程数が増え製造コストが上昇するデメリットとのトレードオフです。

 後は、M2とM3の層間膜厚がやたらと薄そうですが、これは恐らく画素部の光学特性(集光性能。特に斜め光)を考慮して、光線蹴られを少しでもなくすために低背化を行ったためと予想します。

 また、コンタクトのモコモコした断面は一体何なんでしょうね?
ソニー製D800の方はもっとシュッとしていますよね(^^;)
もしおわかりの方がいらっしゃいましたら教えてください(__)

 最後に、両社のセンサの断面高さを比べると、D800@ソニーが、マイクロレンズtopとSi表面が7um。D4@ルネサスが同様な箇所が9.6um。
 厳密にはマイクロレンズtopではなくマイクロレンズ下~Si表面で比較すべきでしょうが、やはり画素ピッチの小さいセンサの方が、より低背化が進んでいるのだなというのが良くわかります。


 このチップワークスのレポートは第三弾まで続いています。
また余裕があればここに意訳して私の感想を添えてupしたいと思います。

拍手[7回]

PR

コメント

お名前
タイトル
文字色
メールアドレス
URL
コメント
パスワード Vodafone絵文字 i-mode絵文字 Ezweb絵文字

2012年時のフルサイズ

既に旧式になったモデルのセンサトーク等、皆さん、興味は無いでしょうが、この時点では、こう言う状況だったと、記憶を固定し直すのも、意味があると思うので、つらつらと、感じたことを書きます。

最初に目についたのは、両方ともLOCOSだったということです。周辺回路もLOCOSになるので、微細MOSには向いておらず、どちらもADCは非搭載だった、ということでしょうね。断定は出来ませんが、LOCOSベースなら、MOSは0.35μか0.25μ程度で、遅すぎるし、カウンター部分が無駄に大きくなるからです。

配線は両方アルミニウムですが、アルミだからと言って、0.25μや0.18μに製造限界があるとは、考えにくいと思います。KrFの露光機限界から考えれば、0.13μ程度がボトルネックと考えて良いのではないでしょうか? ただ、フルサイズの場合、水平方向に繋ぎ露光の問題がありますから、これがボトルネックになって、縦だけ細くしても、意味が無いのかも知れませんが。

低背化の問題で気になったのは、D4用センサで、一見、Polycideのように見える、POLY上の物質です。Polycideにしては、余りにも厚過ぎ、PDを深く打つための、ハードマスクのようなものでしょうか?これが1st metalまでの高さを下げる妨害をしており、無駄に高い位置になっているような気がします。それと同時に、この物質は周辺回路のMOSゲートの上にも載ることになり、将来、デジタル系のトランジスタを混載する場合、邪魔になるのでは?と感じました。まあ、同じプロセスでADC搭載は考えないでしょうけど。

低背化をやりにくくしている要因はtop metalの厚さやパッシベーションのカバレージ状態等、他にもあるようですが。

コンタクトホールの形状が異様に見えるのは、2つ可能性があると思います。1つは、写真を撮る時の断面の出し方が、悪かっただけ。 3層ある絶縁層の上下2層がWに少し被った状態で映っており、実際には中層と同じホール径になっている。もう1つの可能性は、バリアメタル堆積前のHF洗浄で、中層絶縁膜のエッチングレートが上下より速く、中ぶくれ形状になった。ですが、後者の場合、故意に行う理由は無いと思います。

反射防止膜を別途パターニングすることは、コストアップしますが、別の意味もあると思います。MOSのサイドスペーサー、PD表面のエッチバックダメージからのプロテクション、反射防止膜の効果の最適化、この3者のトリレンマ問題をある程度、緩和します。
2層の反射防止膜をエッチングする時、通常はエッチングダメージ防止のためPD上にプロテクション形状のマスクをかけ、PD以外の部分は全面エッチバックします。この工程ですと全てのMOSのサイドスペーサーは反射防止膜と同一の物になってしまいます。MOSの信頼性上の最適膜構成と、PD上の光学上の最適膜構成が一致すれば良いですが、そうは問屋が卸さないと思います。ここで、反射防止膜の下層を、サイドスペーサーに合わせ、PDプロテクション形状でエッチバックを行い、別マスクで反射防止膜上層のパターニングを行えば、完全ではなくとも、ある程度、トリレンマから逃げられると思います。コスト以外にも効果があるので、実施したのではないでしょうか。

binningのやり方は、面白い方法だなと思いました。ただ、T6用にリセットMOS以上のLow Vthが別途、必要なのでは? 同色で繋ぐ個数ですが、640X424でも60pで、極端な高速化はしておらず、基本的に2同色PDをbinningしているんじゃないか、と思いますが。

全体を見ると、SONY製、D800用センサの方がロジックから移転した基幹プロセスに近い、素直なプロセスを使っているように見えます。ルネサス製、D4用センサはかなり、ロジックの基幹プロセスから手を入れているように見えます。通常、センサを作っているメーカーではないので、よく、ここまで、ニコンをいうユーザーの要求を受け入れたものだと感じます。

今でも、半導体メーカーから見れば、大型センサを発注してくれる会社は重要なお客さんなんでしょうね。(売上高ベースの問題で)

ブログ内検索

カウンター

最新コメント

[03/28 hoge]
[03/26 hi-low]
[03/22 山川]
[03/18 hoge]
[03/08 hi-low]
[03/04 hoge]
[02/26 山川]
[02/26 山川]
[02/19 hoge]
[02/18 山川]
[02/05 hoge]
[02/05 hi-low]
[01/29 通りすがりです]
[01/28 FT]
[01/23 hi-low]

カレンダー

04 2026/05 06
S M T W T F S
1 2
3 4 5 6 7 8 9
10 11 12 13 14 15 16
17 18 19 20 21 22 23
24 25 26 27 28 29 30
31

バーコード

プロフィール

HN:
imagerマニア
性別:
非公開