忍者ブログ

Imager マニア

デジカメ / デジタルビデオカメラ / スマホ用の撮像素子(イメージセンサ/imager/CMOSセンサ)について、マニアな情報や私見を徒然なるままに述べるBlogです(^^;)

[PR]

×

[PR]上記の広告は3ヶ月以上新規記事投稿のないブログに表示されています。新しい記事を書く事で広告が消えます。

Canon stays the course フルサイズ一眼レフカメラ ~chipworks解析記事意訳 その2 キヤノン編

 前々回のエントリの第二弾。

 カナダの chipworks という半導体チップのリバースエンジニアリング解析会社の技術blogの内容意訳。
第二弾はキヤノンのフルサイズ一眼レフカメラ(の撮像素子/CMOSセンサ/CMOSイメージャー)についてです。
(第一弾は主にニコンのフルサイズ一眼レフカメラについてでした)

 ちなみにタイトルの”Canon stays the course” は”キヤノンは現状維持”とでも約せば良いのでしょうか。
その意味するところは以下意訳で明らかに・・・

1DX_flat.jpg




















↑ Canon フルサイズ一眼レフカメラ EOS 1DX 撮像素子 画素部平面図 (active領域/POLY/CONTACTまで露出させたところ)

1DX_cross.jpg




















↑ Canon フルサイズ一眼レフカメラ EOS 1DX 撮像素子断面図

・キヤノンのAPS-C及びフルフレーム(=フルサイズ35mm)CMOSイメージセンサのサプライチェーンは、ニコンのそれよりもシンプル
・キヤノンのAPS-Cサイズ及びフルサイズセンサは(chipworksが解析したものに関しては)全てキヤノン製
・一方、コンパクトデジカメにはソニー製のCMOSイメージセンサが搭載されていたりもする


・1DXはニコンのD4の直接の競合となるプロ向けフルサイズ一眼レフカメラで、キヤノンのフラグシップ機
・1DXはALL-Iというビデオ圧縮コーデックを採用しており、とても印象的な動画性能も持っている
・1DX搭載センサは、独立した1画素のアーキテクチャだが、偶数行と奇数行でそれぞれ別々の垂直信号線に読み出される
・また、ニコンのD4同様に、FDスイッチが使われている。それは垂直の同色3画素加算用のFDノードの接続に用いられる


・一方プロセス面では、キヤノンは0.5um世代のプロセスを、APS-C及びフルサイズ素子に使い続けている
・このような枯れたプロセスを使うことは、キヤノンにとって安い製造コストによって競争力をもたらす
一方製品開発にとっては重しとなるだろう
・キヤノンは0.5um世代のプロセスを使っているせいで、画素共有アーキテクチャを用いているにも関わらず、フルサイズセンサにおいて21Mpix程度の解像度に留まっているように見える
・一般的に、より高解像度にするには、より先進的なデザインルールと画素共有アーキテクチャが必要にだ


dslr_trend.jpg

















↑ 2002年からの、キヤノン、ニコン、ソニー、ライカのフルサイズCMOSセンサ搭載一眼レフカメラの画素数トレンド

・ソニーの24MpixセンサとニコンD800のフルサイズセンサによって、画素数トレンドは増加傾向
・これは、チップワークスが指摘する キヤノンの枯れたプロセスを使用することによるフルサイズ一眼レフカメラの画素数の"lag"と互いに関係がある
・今後も画素数増加傾向が減退することはないだろう


・キヤノンには、ニコンD800対抗の高画素機の噂がある
・その時に、遂にキヤノンは0.5um世代から卒業する(move off)のだろうか?
・2012年9月は、キヤノンが世界で初めて市場にフルサイズCMOSセンサ搭載機:EOS 1Dsを発表した記念すべき月だ
・相対的に枯れたプロセスによって製造された画素を最適化し続けることによって競争力を保ち続けるキヤノンを尊敬(credit)する


・キヤノンは、ライトパイプ(光導波路)を含む導配線に特化した0.18um世代のCMOSイメージセンサ用プロセスを持っている
・上記のことから、キヤノンが新しいフルサイズカメラシステム向けのフルサイズCMOSイメージセンサラインをリフレッシュする準備が出来ていることが予測可能だ
・キヤノンも、APS-Cセンサやひいては最終的には恐らくフルサイズもその様にCuプロセスへ移行することは運命付けられているように見える
・このシリーズの第3弾では、初めて0.18umデザインルールを用いたSTMicroelectronicsのフルサイズCMOSイメージセンサについて議論したいと思う


・画素プロセスを離れてもキヤノンにとってデザインは考えるべきことがある。キヤノンのチップはアナログ出力
・他社が好む、列並列ADCは恐らく0.5um世代プロセスでの導入は難しい
・しかし、キヤノンのシステム設計とその性能には満足させられる。もしキヤノンがより先進的な製造プロセスへ移行したら、CMOSイメージセンサとシステム設計のメジャーな刷新が同時に起こるかもしれない

canon_peramed.jpg




















↑ キヤノンのEOS M発表時の製品図
”現在topの1DXの隣の余白には何がくる!?”噂のフルサイズ高画素機はここにくるのでは?"というチップワークスの予想を暗に示していると思われます

canon_cupper.jpg





↑ キヤノンが既に持っている、0.18um世代(光導波路含む)Cu配線プロセスセンサの断面図
 ”APS-Cセンサとフルサイズセンサにこのプロセスが適用されるのはいつ!?”

拍手[1回]

PR

ニコンD600のCMOSセンサはソニー製。 ではD5200のイメージャーはどこ製? ~まさかサムスン!?

http://www.chipworks.com/blog/recentteardowns/2012/11/08/inside-the-nikon-d600/

チップワークス(←カナダの解析会社)がニコンの一眼レフカメラD600搭載のフルサイズイメージャー(撮像素子/CMOSセンサ)の製造元はソニーと確認しましたね。
これもいずれ気が向けばblog記事にしたいのですが、今回imagerマニアが凄く興味をそそられているのはD5200の方です。
まずは以下に最近のニコン一眼レフカメラに搭載されたソニー製センサの写真をご覧下さい。
写真は全てニコンの公式ページにupされていたものそのままです。

D7000.png
















↑ D7000搭載 APS-C CMOSイメージセンサ 16Mpix

D800.png

















↑ D800搭載 フルサイズ CMOSイメージセンサ 36Mpix

D600.png















↑ D600搭載 フルサイズ CMOSイメージセンサ 24Mpix

では、まだチップワークス等が解析していない、発表されたばかりのD5200搭載の以下のCMOSイメージセンサの製造元はどこの会社なのでしょうか?

D5200.png















↑ 発表されたばかりのニコンD5200搭載 APS-C CMOSイメージセンサ 24Mpix

 ちなみに、ニコンのHPを見ると最近発売されたD3200搭載センサもAPS-Cサイズのイメージャーで、かつ24Mpixであることがわかりますが、しかしこれと上記D5200のセンサは別物であるとわかります。
 まず有効画素数の表記が異なります。
D3200:2400万画素
D5200:2410万画素
 上記だけでは何かの都合でD5200の方が10万画素だけ有効に使う画素数を増やしただけの危険がありますが、百聞は一見にしかず。以下がD3200搭載のセンサ写真ですが、D5200とは似ても似つきません。

D3200.png


















 そして、上記D3200搭載センサはルネサス製造であることが既にわかっています。
つまり、上記の事柄から自明なことは、D5200搭載センサはルネサス製造ではない ということです。
何故ならこんなに短期間に同じ画素数のセンサを、ルネサスが2つ用意する理由も、それをニコンが要求する理由も常識的にはあり得ないからです。

 ニコンは一眼レフカメラ及びミラーレスカメラに、今まで以下3社のセンサの採用実績があることも またわかっています。
・ソニー
・ルネサス
・Aptina (アプティナ:マイクロンのセンサ部門が独立して出来たイメージャー専門会社)

 私個人はaptina製である可能性も著しく低いと思っています。
理由:最近ニコンV2のミラーレスカメラ発表前に、aptinaは同カメラ搭載センサの発表を前もってしている
 なので、もしD5200搭載センサがaptina製であるならば、既にaptinaから何がし発表があっても良いようなものですが、発表されている気配は無い

 故に、現状最も可能性が高いのはソニー製ということになるように思います。
しかし!素直にそうはimagerマニアは思えないのです。

 上に貼り付けたそれぞれのカメラ搭載ソニー製センサとD5200搭載センサはいくつか相違点が感じられます。
パッケージは非常に似てはいるのですが・・・
 ①撮像領域外のカラーフィルタの色が違うように見える

  ↑まあこれは、センサ撮影時の光の入り方の加減である程度変化してしまうので決定的な理由ではないかもしれません。実際やはり最近発売されたD600搭載センサの色と同じと言えば同じ黒っぽい色に見えなくもありません(←写真では双方のセンサとも黒っぽく見えますが、実際は青のはずです。周辺回路上に青色のフィルタを敷き詰めているので、青っぽく見えるのです)。

 ②上下の撮像領域外の周辺回路の幅がD5200だけ異なる
  ↑これはソニーのセンサとしては相当異様です。コンパクト1インチセンサ搭載のRX100センサは、D5200の様にやはり片側の幅が広く取られていました。しかし、この時はワイヤーボンディングも幅の広い側にしか取っておらず、確実に片側からだけの信号読み出し回路の様に見えました。
 D5200は細い幅側にもそれなりに周辺回路はあるように見え、その画素数と駒速からしても上下へ信号読み出しを振り分けているように思います。

 また余談ですが、D5200のセンサは、センサの実装(ダイボンディング)位置が写真で言うと上側に随分とずれています。
これは恐らくセンサの有効画素中心とパッケージの中心を合わせるためにこの様なズレたことをしています。
お陰で下側のワイヤの長さはかなり長くなってしまっています。
これはセンサの特性面から考えるとあまり良いことではないはずです。

 この様な良くないズレを許容してまで、幅の広い側にどんな機能の周辺回路が積まれているのでしょう?
いずれにしても上記は今までのAPS-C以上のサイズのソニーセンサには見られなかった特長だと思います。


 では仮にソニー製でなかった場合はどこ製なのか?
・キヤノンが自社センサを外販するということはないと思うので、キヤノン製はないでしょう。
・パナソニックも今まで4/3型を超える大きさのチップを作ったことはないので、パナソニックもないでしょう。
 シャープも大きなセンサを作ったことはないし、コンパクト向けしか作ったこと無い・・・
 コダックはもう最近はセンサ事業から手を引いている・・・
 富士も最近は大きなセンサは見ないし、自社カメラもカラーフィルタは自前の様だが、センサの半導体工程は他社製・・・
 ・・・・・・
  と、消去法をしていくと、imagerマニアの中であっては欲しくないのですが、一つだけ思い当たる会社の名前が残ります・・・
 サムスン

 個人的にはそうであって欲しくないけどな~ ニコンさん(^^;)
 しかし仮に上記予想が当たっていた場合、一体ニコンにとっての良いことは何なのでしょうか?
センサ複数社購買によるリスク低減
 ↑ 既に3社をうまく使い分けているようですので、4社目はさすがに過剰で、むしろセンサ使いこなしの無駄な労力増加の方が起こり得るリスクよりも随分大きくなってしまうのじゃないでしょうか。

 まあそう遠くない将来回答がどこかのサイトでupされて教えてもらえることでしょう。
半導体分野、デジタル家電分野を総ナメにしてきたサムスン。このイメージャーの世界を韓国企業が我が物顔で練り歩く姿は、申し訳ないですが私は見たくはありません。

 ⇒ニコンD5200搭載センサは東芝製と判明!!

 ⇒ニコンD5200搭載センサchipworks解析記事意訳

拍手[0回]

Nikon vs Sony フルサイズ一眼レフカメラ ~chipworks解析記事意訳

http://www.chipworks.com/blog/technologyblog/2012/10/23/full-frame-dslr-cameras-part-1-nikon-vs-sony/

カナダにある”chipworks”(チップワークス)という会社、半導体チップの解析という名のリバースエンジニアリングの世界では、私の知るところ第一人者です。
有名どころでは、apple iphoneの搭載チップ:サムスンのアプリケーションプロセッサA6、ソニーの撮像素子などの解析も既に終えて一部無償で(宣伝がてら)公表しています(残りは有償)。

 有償部分はとても個人の趣味で入手出来る価格ではないので、中身は伺い知ることができません。
が、たまに冒頭のリンク先の様な”technology blog”という形で、対象の半導体チップ業界を俯瞰したような解析記事をupしています。

 今回は、”一眼レフのフルサイズ(フルフレーム)CIS(CMOS Image Senser)”に焦点をあてたものでした。
興味深い内容もありましたので、勝手に私の興味のある部分を意訳してご紹介したいと思います。
また、更には、チップ解析の写真から私が気づいたことを補足したいと思います。

※以下、”・”以下がオリジナル記事の意訳部分です

アップルは長年、ライバル会社のサムスンからスマホやタブレットのコンポーネントを供給されてきた。類似した関係がDSLRの世界にもある。それがニコンとソニーだ。

チップワークスはニコンの2004年以降の10種類おDSLRに使われたCMOSイメージャーデバイスの画素構造を調査した。その結果6種類のカメラで使われたセンサ(撮像素子/CMOS imager)がニコン設計で、ルネサス製造のもの。
他方4つのカメラで使用されたのがソニーセンサであった


■sony IMX094 D800

0.18um世代プロセスを用いて作られている4.75umピッチ画素品

チップワークスが解析した10のフルフレームDSLRの中では最も小さな画素ピッチ製品。
2つの画素で共通の読み出しトランジスタを共有するアーキテクチャ
上記は最近のソニーのAPS-Cイメージセンサ設計にも見られたもの

 画素共有レイアウトと0.18umプロセスによる細いメタル配線は、36Mpixフルフレーム画素アレイにおいても高い性能を達成するために必要な開口率を維持することを可能にしている
 

D800_sony_flat.jpg



















↑Nikon D800搭載 ソニー製CMOSセンサ 半導体層(Si表面及び、アクティブ領域、POLY、contact表示)

 先にD4センサのものと比べると違いがわかりやすいですが、このセンサ、4.7um□という一眼レフ用としては小さい画素ピッチでも高感度/ダイナミックレンジを確保するために、画素の横方向の素子分離が存在しないように見えます(上下方向はトランジスタが存在するために素子分離がある)。
左右方向の隣の画素とは、イオン注入のみの拡散によって分離されています。
正直、素子分離と拡散分離で、どちらがスペース的にお得なのかはimagerマニアは多少疑問な点があるのですが、少なくとも拡散分離の方がLOCOSやSTIといった素子分離よりもそれらの欠陥起因の暗電流は抑制できるメリットはありそうです。

 もう一つ、画素ピッチに比較的余裕のあるD4センサと比較すると異なるのが、画素の転送MOS(写真のT1とT2)が上下の画素で向かい合わせになっていて、転送先のFD(フローティングディフュージョン/浮遊拡散層)が、上下2画素で共有されており、FD領域一つ分の面積がD4センサより無駄がなくフォトダイオードの感光領域に使われているという点です。

D800_sony_cross.jpg

















↑Nikon D800搭載センサ 画素部断面

1POLY/3Metal
層内レンズなし
当然裏面ではなく表面型の撮像素子であることがわかります。

またその形状から、素子分離はSTIではなくLOCOSの様です。
レイアウト効率のみを追い求めた場合、STIの方が良いと思われますが、やはり暗電流の増加等を気にしてLOCOS採用なのでしょうか?

 また最上層の遮光及び電源配線であると思われるM3は、他の層よりも厚く作られています。
これは、上記用途からM1、M2ほどには微細なパタンにする必要がないため、厚く作ってもパターニング可能であるのでそのようにしているのだと思われます。


・Nikonはプロシューマー機に搭載するセンサは、自社設計でパートナーファウンドリーであるルネサスで製造することが多い(例外はD800など)。翻ってコンシューマー機はソニーセンサを採用することが多い


・プロ用機であるD800センサをルネサス製造ではなくソニーセンサを採用したのは、ルネサスには0.35もしくは0.25um世代のイメージャー向けプロセスしかなく、D800の画素ピッチにおける性能を維持するために、0.18umのイメージャー向けプロセスを持つソニーセンサで開口率を確保するためだろう

 ※ルネサスは今回の事実上の一旦破綻でイメージャー製造から手を引くでしょうか?
あまりにもカスタマイズ品が多すぎることが赤字増長の原因の一端だと思うので、きっと製造品種を絞り込むと思うのですが・・・それでもイメージャーは数は出ないけど儲かるチップだからやり続けるでしょうか?
 上記ルネサスの判断がニコンに与える影響は小さくはないと思います。何故ならニコンの一眼レフカメラで今まで搭載されてきたセンサの製造元は、ソニー、ルネサス、aptinaの3社だけだと思われます。
上記3社の内、ニコンのoriginal設計を元に製造していた会社はルネサスだけと思われます。他の2社は、ニコンの要望を元に多少カスタマイズするか、要望を元に設計したセンサを納入するかで、ニコンはあくまで2社に仕様を出すだけで設計自体は出来ない関係になっていると思われるためです。


・Nikon設計&ルネサス製造のD4搭載フルサイズセンサの画素特徴
D4_rene_flat.jpg

















↑ニコン D4搭載 ルネサス製造センサ 画素部平面図

・画素ピッチ:7.3um
・十分な画素ピッチだが、それでも画素性能を優先し、D800同様上下2画素共有レイアウト
・6トランジスタ/2pix
つまり、縦2画素共有の行選択スイッチありの画素なのですが、一つトランジスタが多いのは(画素)FD平均用のスイッチ。←動画読み出し用の高速&高SN化対策

 上記、わかりにくいので、上の写真に赤い線を私が付加しました。
実際の配線パタンとは異なるのは間違いないと思いますが、等価回路図上、赤い線の箇所がつながっているという意味です。
 また、上下2画素分の画素部等価回路図も起こしました。
以下にupします。
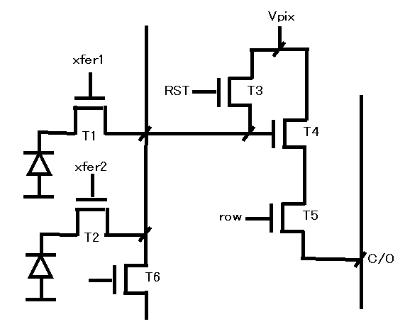
nikon_D4_pix_circuit.PNG


















 上図、T6のスイッチをONして上下のFDをつなげるタイミングと、xfer1及び2のタイミングをコントロールすることにより、”同色上下○画素平均”を可能にしているようです。
”○”の数字は、垂直走査回路によって如何様にもできそうですが、フレームレートと動画解像度の関係から一桁程度の数字ではないかと思われます。
 これにより、ただ行間引きを行うよりは、解像度維持及びモアレ防止に一役買うという訳です。

D4_rene_cross.jpg


















↑ニコン D4搭載 ルネサス製造センサ 画素部断面

・PD上の反射防止膜を画素カラー毎にチューニングしている


 ↑これは驚きです。この様なセンサはimagerマニアは初めて見ました。
フォトダイオード上の反射防止膜の膜厚は、厳密には光の波長ごとに最適値が異なります。そのための処置と思われます。その代わり、製造プロセスの工程数が増え製造コストが上昇するデメリットとのトレードオフです。

 後は、M2とM3の層間膜厚がやたらと薄そうですが、これは恐らく画素部の光学特性(集光性能。特に斜め光)を考慮して、光線蹴られを少しでもなくすために低背化を行ったためと予想します。

 また、コンタクトのモコモコした断面は一体何なんでしょうね?
ソニー製D800の方はもっとシュッとしていますよね(^^;)
もしおわかりの方がいらっしゃいましたら教えてください(__)

 最後に、両社のセンサの断面高さを比べると、D800@ソニーが、マイクロレンズtopとSi表面が7um。D4@ルネサスが同様な箇所が9.6um。
 厳密にはマイクロレンズtopではなくマイクロレンズ下~Si表面で比較すべきでしょうが、やはり画素ピッチの小さいセンサの方が、より低背化が進んでいるのだなというのが良くわかります。


 このチップワークスのレポートは第三弾まで続いています。
また余裕があればここに意訳して私の感想を添えてupしたいと思います。

拍手[7回]

ソニー α99 デュアルAFシステム(世界初の位相差AFセンサと像面位相差AFのハイブリッド) ~今後のカメラの差別化は画素数ではなくAFシステムか?

前回upしたエントリ通り、先々週末幕張メッセで開催されたCEATECに行ってきました。
CEATECの前身はエレクトロニクスショーですので、カメラや、ましてや撮像素子は主役ではありません。
が、デジカメを販売しているメーカーさんにとっては、デジカメは無視出来る分野ではありませんので展示アピールしてありました。
 その写真などをご紹介しながら、少し私の思うところなどを書かせて頂こうと思います。

※ちなみにガチガチのカメラメーカー(←CANON / NIKON / PENTAX)はCEATECには出展していませんでした

IMG_4143.jpg

















10/26発売予定。ソニーα99
35mmフルサイズ搭載一眼レフデジカメ。何ともグラマラスとしか言いようの無いbody形状。
α900が恐らくディスコンなので、ソニーのフラグシップ機ということになろうかと思います。

私imagerマニアが思うコイツの一番の特徴は”デュアルAF”システム。
以前エントリした、キヤノンvsニコンの像面位相差AFの話と似ている様で異なるソニーの世界初のこのシステムは
通常の位相差AFセンサと、撮像素子に埋め込んだ像面位相差AFのハイブリッドであるという点です。
(※富士やキヤノン、ニコンはコントラストAFと像面位相差AFのハイブリッド)

IMG_4130.jpg

















↑ α99搭載フルサイズ素子の単体展示。
2430万画素。画素ピッチ的にそこまで微細ではないため、ソニーお得意の裏面センサではなく、表面型のセンサ。
102点像面位相差AF搭載
ちなみに、今回のCEATECでimager(撮像素子/CMOSセンサ)単体展示をしていたのは、私が見た限りソニーとNHKだけでした。←NHKのは5月の技研公開時に展示していた8K4K120fpsスーパーハイビジョン用センサ

 α99の通常の位相差AFは19点。
AFポイントとしてユーザーが任意指定可能なのは、上記19点のみ。像面位相差AFの102点はあくまでアシストAF用途であって、ユーザーが指定は出来ません。
また、この像面位相差AFが有効に作用するのは、”AF-D”とソニーが呼んでいるAFモードの時だけで、つまりは静止画の時にしか作用しません。動画の時にはトランスルーセントミラー越しの通常位相差AF19点のみです。

 まとめると、今回のデュアルAFシステムにおける像面位相差AFの役割は・・・
静止画撮影時の(特に連写時を想定していると思われる)通常AFの中抜け防止もしくは通常AFのエリア外に被写体を外してしまった場合でも捕捉し続けるために使われる。ということになろうかと思います。

 何故この様な仕様になってしまったのでしょう?
特に動画で使用出来たほうが更に効果upが期待できた様に思うのですが、動画スピードではAFデータを後段のエンジンが処理しきれなかったりするのでしょうか?
ご存知の方がいらっしゃったら是非教えてください(__)

 しかし、まあそれにしても画期的なシステムには違いありません。
imagerマニアとしては、わずかでも光を損失するTLMは否定派なのですが、その特徴を良く活かしたデュアルAFだと思います。
後は実戦でのこのAFの効果のほど次第ではあると思うのですが、
”今後はデジカメも画素数ではなくて、こういうAF能力の高低によって選ばれる時代がくるのだろうな”
との思いを、今回一連の撮像面位相差AFの件で強くしました。
 特にミラーレスが一眼レフに取って代わるであろう将来に、この像面位相差AFの技術でリードしている会社が相当に有利なポジションをget可能だと思っていますので、この辺は注目していきたいと思ってます。

 α99発売直後に、またchipworksがこのソニー製センサの解析結果を発表してくれると思います。
imagerマニアとしては、撮像面位相差102点の配置を興味深く見させてもらおうを思います。


最後に、このα99、仕様を見てもかなり動画に力を注いだ一眼レフカメラだと思います。
恐らくこれを買う層は、”静止画だけでなく動画も撮る”というような方達ではないかなと。

http://www.youtube.com/watch?v=8DoPnCwmUCc
↑上記はソニーのオフィシャル動画ですが、1:15のあたりから、本格動画(CINEMA?)撮影用のリグ組をするシーンも出てくることから、ソニー自身もそちらの分野に使ってもらいたい意向があるように思います。

拍手[1回]

ソニー NEX-VG900 発売に思うこと ~フルサイズNEXデジカメ登場に確信

前回のエントリーでpdfでレポートしましたが、先々週、幕張メッセにて開催されたCEATECに行ってみました。
CEATECの前身は”エレクトロニクスショー”ですから、特にデジカメや、ましてや撮像素子が主役のショーではありません。
実際今回のイメージでも、
スマート家電やスマートコミュニティー、スマートエネルギー、自動車メーカーの出展、TVディスプレイ
あたりが主役の様に私には感じられました。

 しかし、フィルムカメラの時代と違い、今やデジカメは各社電機メーカーにとっては無視不能な分野ですので製品を持っているメーカーではそれなりにアピールされていました。
今回はそのらの中からソニーから発表されていたタイトルのカムコーダーを取り挙げてみました。 

IMG_4113.jpg

















IMG_4114.jpg

















上の二枚は共に、ソニーの”NEX-VG900”です。
業務用カムコーダー(デジタルビデオカメラ)で、お値段¥30万くらいのものです。
多くの方が興味を示されないと思いますが、コイツはある未来を示唆してくれていると思います。

”ソニーはそう遠くない将来、フルサイズミラーレスデジカメをEマウントで発売する”

VG900自体はレンズ交換式の”Eマウントの35mmフルサイズ撮像素子搭載”カムコーダーです。
持った時、”フロント(レンズ部)ヘビーで手持ち撮影は超しにくそうだな~”というのが感想で、恐らくコイツ自体はさほど売れないだろうと感じました。
 が、そんなことは実はどうでも良いことで、この機体が発売されたことにより、”Eマウントはフルサイズのイメージサークルをカバーしているマウントであった”ということがソニー自身から示されたことが重要なことであると思います。
2枚目の写真はピンボケしているように見えますが、実はマウントの中のイメージャーにピントが合っています(^^;)
Eマウント径ギリギリまで撮像素子が迫っていることがわかるでしょうか?


 もう一つだけこのカメラでソニーの英断(もしくはヤケクソ感?)を感じたことがあるので補足を。

”世の中には現在のところEマウントで35mmフルサイズ対応レンズは存在しない・・・にも関わらず、ソニーはカムコーダーを発売してきた”

という点です。
どこか名も知られていない中小企業がやるならわかるのですが、天下のソニーがサポートレンズも出さずにレンズ交換式のカメラ(ビデオカメラ)を発売してくるというのは英断だと(もしくは裏を返すと追い詰められて何をやるのが正しいかわからなくなり「エイ!やっちゃえ!」感が感じられる!?と)思います(^^;)

 と言っても、世の中にはマウントアダプターなるものが存在しますので、αマウントは勿論、サードパーティー製のアダプタで良ければEFマウントなどのレンズも装着可能です。
ですので、現在このカムコーダーを買っても使えないということは勿論なく、αマウント対応レンズやEFレンズをアダプタ経由でレンズ交換可能ですので商品として存在価値も勿論あります。

 この他にも、ソニーは今回、α99(デジタル一眼)、RX1(コンパクトデジカメ)の35mmフルサイズ素子搭載デジカメを発表及び展示。
更には今回展示はなく、あまり日本では売る気がなさそうでしたが、しばらく前に"NEX-EA50”という、APS-Cサイズ素子を搭載した”肩載せタイプの業務用カムコーダー”(←主にウェディングムービー撮影及びドキュメンタリー撮影用途想定?)も発表しており、 「フルサイズに力入っているな~。勢いあるな~」と感じます。

 また、カメラでは最早ありませんが、HMD(ヘッドマウントディスプレイ)も実機展示してあり、試着?に長蛇の列。
強いソニーの復活 / ソニーらしさ復活
を予感させる勢いを感じたCEATECソニーブースでした。
フルサイズNEXデジカメ始め、今後にも期待したいですね。 















































































 

拍手[0回]

ブログ内検索

カウンター

最新コメント

[03/28 hoge]
[03/26 hi-low]
[03/22 山川]
[03/18 hoge]
[03/08 hi-low]
[03/04 hoge]
[02/26 山川]
[02/26 山川]
[02/19 hoge]
[02/18 山川]
[02/05 hoge]
[02/05 hi-low]
[01/29 通りすがりです]
[01/28 FT]
[01/23 hi-low]

カレンダー

03 2026/04 05
S M T W T F S
1 2 3 4
5 6 7 8 9 10 11
12 13 14 15 16 17 18
19 20 21 22 23 24 25
26 27 28 29 30

バーコード

プロフィール

HN:
imagerマニア
性別:
非公開